An RF Engineer turned amateur radio enthusiast exploring radios, amplifiers, antennas, and clever circuits
-

Introduction
Welcome, fellow Amateur Radio enthusiast! As an RF Engineer and new ham, I am excited to share my ideas, experiments, and mistakes I make along the way with you through this blog, as I have learned so much from the community in my first few months. Whether you are just starting out or have 50…
-

2 meter DF board
There was a delay getting my 20 meter polar modulation prototype back, so I decided to design a 2-channel phase coherent direction finding system for 2 meters.I decided to see just how inexpensively I could do it. The answer kind of surprised me. $4.51 in parts, plus my trusty Pico2!I wasn’t about to build it…
-

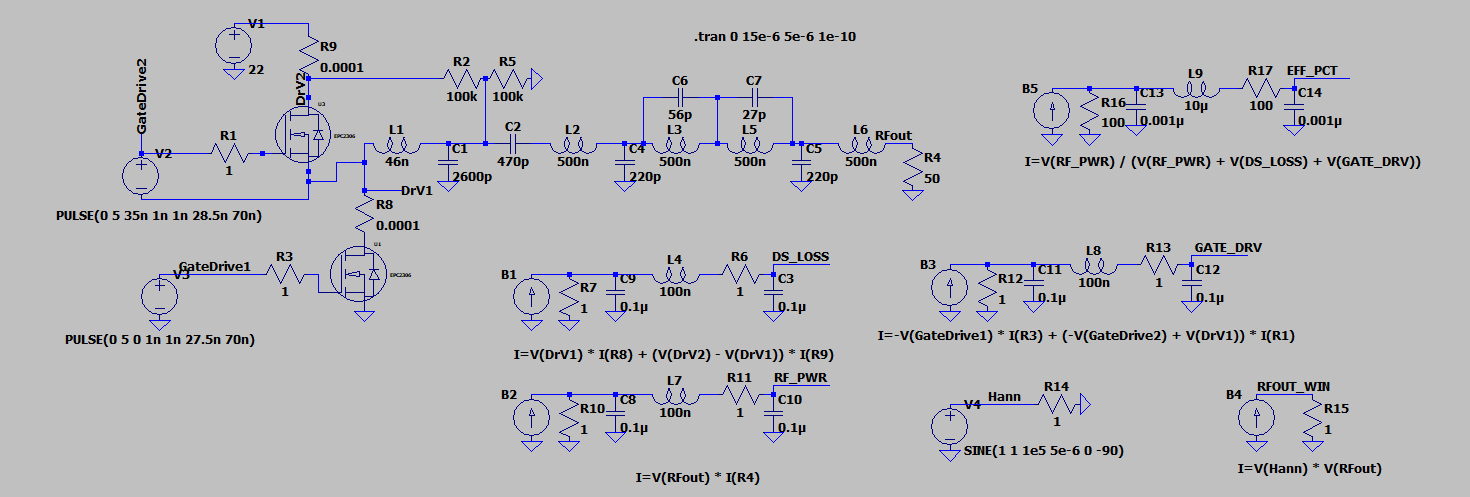
LTSpice Polar Modulation Schematic
I recently posted a Youtube video about the radio I’m building, and I promised to share the LTSpice file. You’ll have to install LTSpice and the EPC GAN library to run it. Here is the video: https://www.youtube.com/watch?v=zcixl9Ds5KQ Here is the LTSpice Schematic: Please note the included window function. When you take the FFT of the…
-

My New SDR-like 20m Polar Modulated Radio is Almost Here!
I obviously haven’t been posting much lately, but I have been working on a new radio design for about the past 12 months. I switched from class K amplifier to class D for more efficiency at lower voltages, and to take advantage of a nifty TI part, the LMG1210. https://www.ti.com/product/LMG1210 This should enable me to…
-

New Antenna: Simple 20m horizontal half-wave dipole
I signed up at the local club to be an activator for lctota.org, so my 2 element beam pointed at New Zealand wasn’t really ideal. I really needed an antenna that would cover as much of the U.S. as possible, so I went with a simple horizontal dipole facing East / West. I have a…
-
New Spring Project – a travelling companion for my IC-7300
I think work is going to be too busy for my grand project. But a fun, simple project for this spring: add a power supply output (13.8V 20A) to my 20 meter amp for my IC-7300, and package it up in an attractive, slim box. Maybe double the output power while I’m at it, just…
-
New Project: My Summer Radio
I think I’ve settled on my next project. I’m getting sick of random polarization fading ruining a good conversation. So I think my next project will be a 10 meter radio set up to support circular polarization, battery powered with a fiber optic interface so there are no cables to mess with my antenna pattern.…